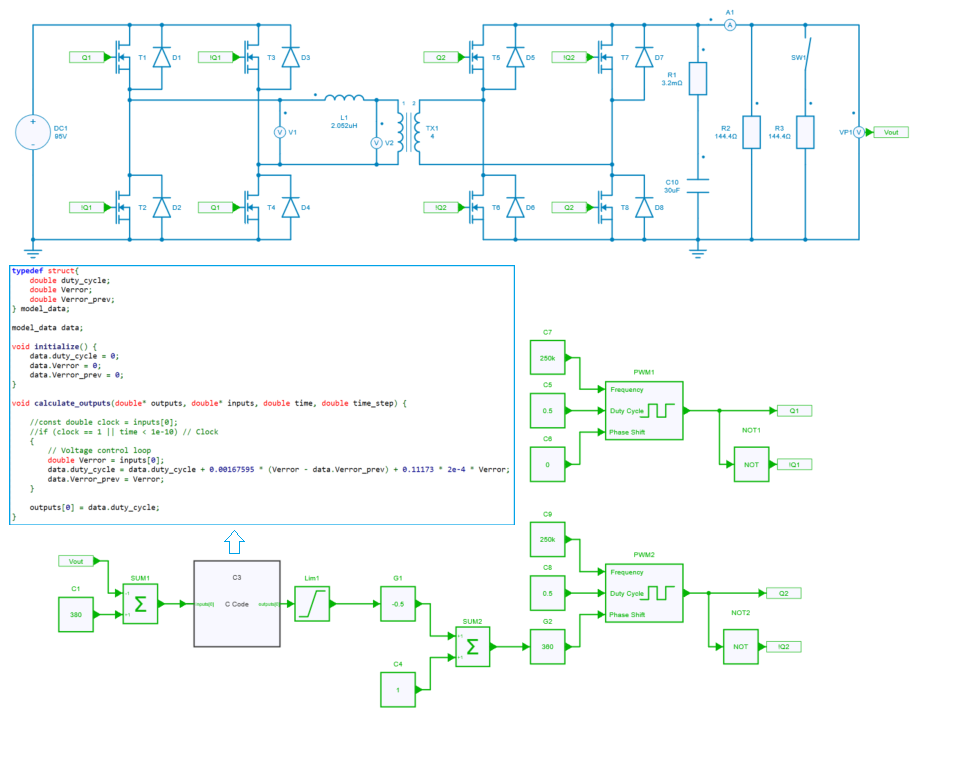
Dual Active Bridge
This example shows a Dual Active Bridge converter with:
- an input voltage of 95 V,
- an output voltage of 380 V,
- an initial output power of 1 kW raised to 2 kW at 200 ms.


PWM control
Each bridge with a duty cycle of 50%. The phase-shift between the two bridges is set by the discrete controller (PI regulator) in order to regulate the output voltage.
Power semiconductor switches
The channel resistance of the Mosfets can be specified in its properties under R_{on} whereas the resistance of the Diode and its forward volatge drop can be specified under Rd and Forward Voltage respectively. Here, the separate anti-parallel diode is connected with the MOSFET but user can also select a single device 'MOSFET with Diode' from the library.
Note : In this example, mosfets are made to operate in synchronous rectification mode which means that the controlled conduction mechanism (channel) is the major contributor for conducting the reverse current compared to the body diode conduction.
Transformer ratio
The transformer ratio can be chosen appropriately as per the required values of primary and secondary voltages. Here the output voltage is to be regulated at 380 V and the lowest primary voltage is considered as 95 V, which leads to a transformer ratio of 4.
Inductor design
The expression below gives the maximum power which can be transferred for a phase-shift angle of \pi / 2 1:
with m = \frac{V_2}{V_1} the transformer ratio
A maximum power of 2 kW and a margin of 10 % is considered. At a switching frequency of 250 kHz, with V_1 = 95 V and V_2 = 380 V, this leads to a maximun inductor value of 2.051 µH.
These values are compatible with typical values of leakage inductors of high-frequency transformers at these levels of power, voltages and transformer ratio.
References
-
M. Blanc, Y. Lembeye, J.P. Ferrieux, Dual Active Bridge (DAB) pour la conversion continu-continu, Techniques de l'ingénieur E3975, 2019. ↩